Carbon fiber impregnating adhesive for CFRP strengthening

Evenly spread the well prepared impregnating adhesive on the bonding part. The carbon fiber fabric ​should be gently pressed and pasted in the position to be pasted according to the direction, position and order of the design.

2020-03-30 13:44:07

Fiber reinforced polymer(FRP) strengthening technology

Sticking FRP in the tensile area of concrete structure can effectively improve its bearing capacity and restrain crack propagation. The damage characteristics of the reinforced concrete structure after the FRP reinforcement are different from that of the ordinary concrete structure and the reinforced concrete structure, and the calculation method of its bearing capacity is different.

2020-03-28 15:35:10

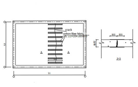
Carbon fiber fabric for concrete structure strengthening

For general structure, carbon fiber fabric or precured carbon fiber plate can be selected according to the actual situation of the project. For long-span structures, heavy structures and other important structures, precured carbon fiber plate should be preferred and reinforcement measures should be taken.

2020-03-30 13:20:36

The application of carbon fiber fabric for strengthening

Carbon fiber fabric or structural strengthening, repairing and retrofitting of masonry, concrete, steel and wooden substrates.FRP composite strengthening of columns,beams,slabs,walls,piles,pier caps in building,bridge,highway,railway,tunnels,piers and civil airport.

2020-03-30 13:21:27

The characteristics of carbon fiber fabric for reinforced bridge

Simple construction, Adapt to different shape of component, No increase of the constant load and the size of the section, Effectively sealing cracks in concrete, No damage to the original structure, not affect the appearance of the structure, excellent chemical corrosion resistance

2020-03-27 16:25:08

Repairing concrete structures with fiber reinfroced polymer(FRP)

External bonded FRP reinforcement method; Embedded reinforcement method; Prestress FRP reinforcement method; Grid / grid reinforcement method

2020-03-27 16:27:26

Beam strengthening-Horse Constriction

Horse Construction structural strengthening system will provide more materials to strengthening the beam to meet the new requirements and safety.

2020-03-27 16:28:08

What is FRP composite strengthening system?

FRP composite strengthening system is applicable to strengthening of reinforced concrete(RC) under bending, axial compression, large eccentric compression, small eccentric compression and tensile members. It is not suitable for reinforcement of plain concrete members or members with minimum reinforcement ratio less than the current specification.

2018-06-12 18:10:16

What are problems can be solved by prestressed CFRP laminate

HM prestressed CFRP laminate not only improves crack stiffness and crack resistance, but also increases the bearing capacity beyond imagination.

2020-03-27 16:40:50

Difficulties and solution in prestressed FRP laminate strengthen

The key difficulty of the prestressed CFRP reinforcement technology is to solve the relationship between the anchorage and the carbon plate, the anchorage and the concrete. The HM prestress prestressed FRP plate not only makes up the defects of the CFRP, but also have more key features can solve more problem.

2020-03-27 16:39:56
Back
Top
Close